Φυσικη Γ Δύο Θέματα Στοιχείων Κβαντομηχανικής by Ξενοφών Στεργιάδης17/05/202518/05/202516 Δύο Θέματα Στοιχείων Κβαντομηχανικής Η συνέχεια εδώ
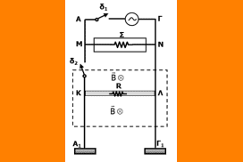
Φυσικη Γ Επαναληπτικό διαγώνισμα φυσικής 2025 by Ξενοφών Στεργιάδης16/03/202517/04/202538 Το κύκλωμα του σχήματος βρίσκεται σε κατακόρυφο …
Φυσικη Γ Τέσσερα θέματα Ηλεκτρομαγνητισμού by Ξενοφών Στεργιάδης31/01/202509/02/202529 Το φορτίο q είναι ομοιόμορφα κατανεμημένο κατά …
Φυσικη Γ Tο κύμα, η ταλάντωση και η φάση by Ξενοφών Στεργιάδης21/12/202421/12/20246 Μια χαμένη παλιά ανάρτηση στο τρέχον αρμονικό …
Αρθρα Ελαστική κρούση και μέγιστη γωνία εκτροπής by Ξενοφών Στεργιάδης05/10/202405/10/202417 Αφιερώνεται στους: Άρη Αλεβίζο, Γιάννη Κυριακόπουλο και …
Αρθρα Χρήστος Γιανναράς ( 1935-2024) by Ξενοφών Στεργιάδης01/09/202401/09/20245 Βιογραφία Γεννήθηκε στην Αθήνα στις 10 Απριλίου …
Ομαδα Β. Mens sana in corpore sano (“satires” Γιουβενάλης) by Ξενοφών Στεργιάδης25/05/202425/05/202420 Η συνέχεια από εδώ.
Υπολοιπα Εξετάσεις Προτύπων Γυμνασίων 2024 by Ξενοφών Στεργιάδης18/05/202418/05/20247 Θέματα εδώ Απαντήσεις εδώ
Αρθρα Απόντες by Ξενοφών Στεργιάδης30/09/202330/09/202315 Στην ιστοσελίδα του ΕΛΙΝΥΑΕ υπάρχει η πρόσφατη …
Αρθρα André-Marie Ampère. Ο Νόμος και οι εφαρμογές. by Ξενοφών Στεργιάδης29/12/202231/12/202227 Η πρώιμη ζωή, το ιστορικό πλαίσιο, η …
Φυσικη Γ Όταν αλλάζει ο προσανατολισμός του κεκλιμένου επιπέδου by Ξενοφών Στεργιάδης19/08/202219/08/20225 Θέμα 1ο Η ομογενής σφαίρα μάζας m …