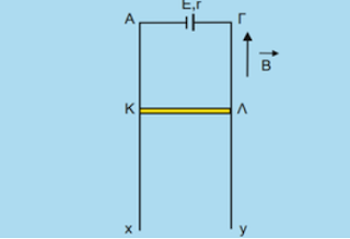
Οι κατακόρυφοι αγωγοί Αx και Γy του σχήματος έχουν ασήμαντη αντίσταση και τα άκρα τους Α και Γ συνδέονται με πηγή Η.Ε.Δ. Ε και εσωτερική αντίσταση r. Στο επίπεδο των δύο αγωγών είναι σε επαφή και κάθετα προς τη διεύθυνση τους άλλος ευθύγραμμος αγωγός ΚΛ μήκους L, μάζας m και αντίστασης R. Το σύστημα των τριών αγωγών βρίσκεται μέσα σε κατακόρυφο ομογενές μαγνητικό πεδίο έντασης Β, όπως φαίνεται στο σχήμα. Το μέτρο της επιτάχυνσης βαρύτητας είναι g.
A. Να χαρακτηρίσετε τις παρακάτω προτάσεις ως σωστές ή λανθασμένες, δικαιολογώντας την επιλογή σας.
α. Η δύναμη Laplace που δέχεται ο αγωγός είναι κατακόρυφη
β. Αν μεταξύ των κατακόρυφων αγωγών και του αγωγού ΚΛ δεν εμφανίζεται τριβή, ο ΚΛ είναι δυνατόν να ισορροπεί
γ. η ηλεκτρική ενέργεια που παρέχει η πηγή στο κύκλωμα, μετατρέπεται σε θερμότητα στις αντιστάσεις του κυκλώματος.
Β. Αν ο συντελεστής οριακής τριβής μεταξύ των κατακόρυφων αγωγών και του ΚΛ είναι μορ, ποιά είναι η ελάχιστη τιμή της Η.Ε.Δ. Ε ώστε ο αγωγός να ισορροπεί;
Γ. Αν αντιστρέψουμε ακαριαία τη φορά της έντασης του μαγνητικού πεδίου:
α. τι κίνηση θα εκτελέσει ο αγωγός ΚΛ;
β. πόση θα είναι η αναπτυσσόμενη Η.Ε.Δ. από επαγωγή στα άκρα του;
Η απάντηση σε word
και σε pdf
![]()
Καλησπέρα Αποστόλη.
Ένα τέτοιο στις εξετάσεις και θα … στείλει κόσμο!
Ασυνήθιστο θέμα με το Β κατακόρυφο, οπότε έχουμε μη συνηθισμένη εξέλιξη.
Συγχαρητήρια για την ιδέα!
Αποστόλη, κάπως έτσι

Έξυπνη
Καλημέρα Αποστόλη
Μπορεί και έτσι βέβαια για …προπόνηση σε αιφνιδιασμό! Από τις ωραίες…
Ωραίο και του Θοδωρή το “ανάλογο”! Καλημέρα Θοδωρή
Κάτι που μπορεί να δημιουργήσει πρόβλημα στον λύτη και αφορά το ερώτημα Γ, είναι το ότι δεν είναι σαφής ο τρόπος επαφής (διασύνδεσης) του αγωγού Κλ με τους οδηγούς. Εννοώ αν η επαφή είναι μόνο από την πλευρά που βλέπουμε το σχήμα ,ορθά με αντιστροφή της Β θα χαθεί η επαφή …κλπ ,όπως τα λες, και σχηματικά θα πρότεινα το παρακάτω με άγκιστρα .
Αν όμως η επαφή στα άκρα ήταν μέσω κρίκων δεν θα χαθεί η επαφή ,απλά θα αντιστραφεί η FL.
Καλημέρα
Καλημέρα παιδιά και σας ευχαριστώ.
Αποστόλη καλησπέρα.
Πολύ καλή και πρωτότυπη.
Καλημέρα Χρήστο. Ευχαριστώ.
Καλησπέρα Αποστόλη!
Πολύ καλό και ασυνήθιστο θέμα, συνήθως το μυαλό πάει στο ότι η δύναμη Laplace θα έχει φορά πάνω ή κάτω. Ως προς το τελευταίο συμφωνώ με τον Παντελή γιατί σε κατακόρυφο σύστημα η απλή επαφή δεν μπορεί να επιτευχθεί παρά μόνο αν έχουμε κρίκους στα άκρα της ράβδου. (βέβαια με το δικό σου σενάριο η FL λειτουργεί σα βεντούζα οπότε μετά το ξε – βεντουζάρουμε!!!)
Καλημέρα Βασίλη και σε ευχαριστώ για το σχόλιο.
Καλημέρα Αποστόλη.
Πολύ ωραίο και πρωτότυπο θέμα!
Με ξάφνιασες με την οριζόντια Laplace και την οριακή τριβή.
Με προβλημάτισε μόνο το “ακαριαίο” του Γ ερωτήματος… ακαριαίος θα είναι και ο μηδενισμός της Laplace;
Τελικά φαντάστηκα ότι το πήγαινες για ελεύθερη πτώση, αλλά για λίγο σκέφτηκα μήπως προκαλέσει κάτι η Laplace στιγμιαία, πριν μηδενιστεί.
Σε ευχαριστούμε!
Καλημέρα Ελευθερία και σε ευχαριστώ. Αφού η δύναμη Laplace αντιστρέφεται “ακαριαία” και μηδενίζεται λόγω του μηδενισμού του ρεύματος, που προκαλεί η απώλεια επαφής του αγωγού, δεν προλαβαίνει να δράσει.