web analytics

Αριστοτέλης 2018 …Γυμνάσιο

Οι μαθητές ενός γήινου σχολείου, συζητώντας τα παραπάνω ερωτήματα και μην έχοντας απαντήσεις σε αυτά, αποφάσισαν να «πειραματιστούν» (υποθετικά βέβαια) στον κοντινό μας Άρη.
Πειραματισμός
Στο σχολείο τους οι μαθητές διαθέτουν έναν πειραματικό ζυγό σύγκρισης, με δύο ίσους βραχίονες και δύο όμοιους δίσκους, όπως φαίνεται στη διπλανή εικόνα. Διαθέτουν επίσης διάφορα σταθμά, των οποίων η μάζα αναγράφεται επάνω τους (σε γραμμάρια ή πολλαπλάσιά τους).

Φυσική Α΄ Γυμνασίου

Φυσική Β΄ Γυμνασίου

Φυσική  Γ΄ Γυμνασίου

Μόλις τα ”ψάρεψα”… εδώ   για   το Γυμνάσιο

Θέματα και απαντήσεις εδώ

Loading

Subscribe
Ειδοποίηση για
70 Σχόλια
Inline Feedbacks
Όλα τα σχόλια
Γιάννης Κυριακόπουλος
Αρχισυντάκτης

Σχεδιάζω και την διαδρομή στην περίπτωση παραλληλίας:

Γιάννης Κυριακόπουλος
Αρχισυντάκτης

Αν δεχόμαστε τα κυκλώματα και τις διαδρομές που σχεδίασα, μπορούμε να συζητήσουμε τι είναι το θέμα αυτό.

Γιάννης Κυριακόπουλος
Αρχισυντάκτης

Ας αναλύσουμε το 3ο θέμα.

Διαβάζοντάς το απρόσεκτα αρχικά, σκέφτηκα ότι θα μπορούσε στη μία περίπτωση να είναι αποσυνδεδεμένες οι αντιστάσεις, στην δεύτερη να παίζει ο εν σειρά συνδυασμός τους, στην Τρίτη να παίζει η μεγάλη και στην τέταρτη η μικρή.

Έτσι θα είχαμε πάλι τρεις ισχείς. Ποιες όμως;

Οπότε ο μικρός διαγωνιζόμενος έπρεπε να αποκλείσει την εν σειρά συνδεσμολογία και να ψάχνει μόνο εν παραλλήλω συνδεσμολογία, στην οποία προφανώς οι ισχείς αθροίζονται.

Οι συλλογισμοί αυτοί δίνουν στο θέμα ένα άρωμα Φυσικής. Έπεται και ο (καλός) γρίφος και το θέμα μπορεί να αλιεύσει ένα ταλέντο.

Οι πιτσιρικάδες κακώς απογοητεύονται. Παλιές εποχές έμπαιναν τρελά θέματα στις εξετάσεις για τη ΣΜΑ, το Πολυτεχνείο κ.λ.π. Δεν λύνονταν και οι υποψήφιοι δεν απογοητεύονταν. Όπως δεν θα απογοητευθώ αν δοκιμάσω να τρέξω τα 100 m σε 10 s και αποτύχω. Ταλέντα κυνηγάνε και δεν είναι ικανοποιητές παιδιών. Δεν είναι Πανελλαδικές Εξετάσεις.

Βαγγέλης Κουντούρης

Νομίζω Γιάννη ότι "ο μικρός διαγωνιζόμενος έπρεπε να αποκλείσει την εν σειρά συνδεσμολογία" αμέσως, διότι ναι μεν ισχύει 90=30+60, αλλά οι ισχύες παύουν να είναι 30W και 60W, αφού λόγω της σύνδεσης η τάση στα άκρα κάθε αντιστάτη παύει να είναι (μειώνεται) 48V

Γιάννης Κυριακόπουλος
Αρχισυντάκτης

Βαγγέλη θα μπορούσε οι ισχείς να ήταν 2W , 3W και 6W.

Δεν δικαιούμαι να αναρτήσω ένα τέτοιο θέμα;

Στην περίπτωση αυτήν πρέπει να αποκλεισθεί η εν παραλλήλω σύνδεση και να προκριθεί η εν σειρά.

Θα μπορούσα δηλαδή να φέρω αντίρρηση στο επιχείρημά σου, λέγοντας ότι με την μία μόνο συνδεδεμένη έχουμε 90W, με την άλλη μόνη της έχουμε 60W και όταν τεθούν εν σειρά έχουμε την μικρή ισχύ των 30 W. 

Εγώ ισχυρίζομαι κάτι τέτοιο. Εσύ πρέπει να καταρρίψεις τον ισχυρισμό μου λέγων ότι αποκλείεται να είναι η μία ισχύς άθροισμα των άλλων δύο.

Σκέψου αύριο να πέσει το θέμα που λέω (2W , 3W και 6W) και να απαντήσει κάποιος ότι πρέπει να είναι παράλληλες.

Όσο γι' αυτό που λες (παύουν να είναι 30 W και 60 W, , αφού λόγω της σύνδεσης η τάση στα άκρα κάθε αντιστάτη παύει να είναι (μειώνεται) 48V) θα μπορούσα να σου πω ότι δεν μιλάω για τις 30 W και 60W, αλλά για τις 90W και 60W. Επειδή ακριβώς πέφτει η τάση, έχουμε μικρότερη ισχύ, αυτήν των 30 W. Πρέπει να μου πείς:

-Όχι αποκλείεται να βγει 30W. Θα βγει 36 W και όχι 30 W.

Η άσκηση κάλλιστα θα μπορούσε να λέει 36W, 60W ,90W. Τότε θα έπρεπε να προτείνουμε σύνδεση σε σειρά.

Δηλαδή το κλειδί είναι ότι η μία είναι άθροισμα των άλλων δύο.

Γιάννης Κυριακόπουλος
Αρχισυντάκτης

Αν δε εδίδοντο οι 40W, 60W, 90W, θα έπρεπε να εξηγήσουμε ότι δεν υπάρχει λύση με δύο αντιστάσεις.

Γιώργος Φασουλόπουλος
Αρχισυντάκτης

Γιάννη,

το επιπλέον εννοιολογικό εμπόδιο που προβάλει ένας ρυθμιστής-διακόπτης που πρέπει να αλλάζει για κάθε μια από τις τέσσερεις εκδοχής της ισχύος, ταυτόχρονα τις συνδέσεις τεσσάρων επαφών ενισχύει την ουσία της γενικής εκτίμησή σου για το 3ο θέμα:

με παρόμοιους γρίφους Ταλέντα κυνηγάνε

Γιάννης Κυριακόπουλος
Αρχισυντάκτης

Την επόμενη χρονιά οι προγυμναστές υποψηφίων ολυμπιονικών θα το γυρίσουν στις μεθοδολογίες:

-Παιδιά αν η μεγάλη είναι το άθροισμα των άλλων δύο, τότε εν παραλλήλω. Αν όμως

(P1)-1 = (P2)-1 + (P3)-1 τότε εν σειρά. Αν τίποτε από αυτά, το πρόβλημα δεν έχει λύση.

Κάθε πρωτοτυπία θα ακολουθείται και από μια μεθοδολογία.

Στο τέλος τα βιβλία μεθοδολογιών θα είναι ογκωδέστερα κάθε βιβλίου Φυσικής.

Γιάννης Κυριακόπουλος
Αρχισυντάκτης

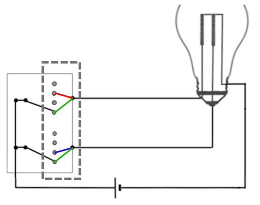
Γιώργο οι διακόπτες αυτοί υπάρχουν. Δεν γνωρίζω λεπτομέρειες της κατασκευής τους, αλλά μπορώ άνετα να σχεδιάσω έναν που με το γύρισμα του κουμπιού θα αλλάζει ταυτόχρονα τις συνδέσεις 4 επαφών.

Ένας:

Όταν γυρίζω το κόκκινο κουμπί η αγώγιμη λεπτή επαφή έρχεται ταυτόχρονα σε επαφή είτε με τα δύο πάνω κυκλάκια, είτε με τα δύο δεύτερα, είτε με τα….

Είναι ακριβώς αυτός:

Γιάννης Κυριακόπουλος
Αρχισυντάκτης

Ξέρεις Γιώργο ότι και εγώ θεώρησα το θέμα (αρχικά) γριφώδες αλλά χωρίς Φυσική.

Δεν το πιστεύω ακόμα. Με την διάσταση που το βλέπω τώρα να έχει (άθροισμα και όχι αρμονική αναλογία), έχει και Φυσική.

Εντάξει, ταλέντα ψάχνουν.

Γιώργος Φασουλόπουλος
Αρχισυντάκτης

ευχαριστίες

Όταν πρότεινα σε όλους τους διαγωνιζόμενους, είτε προσήλθαν στον διαγωνισμό ως «υποψήφια ταλέντα» είτε επειδή απλά τους αρέσει η Φυσική να αντιμετωπίσουν θετικά τη συμμετοχή τους, δεν είχα υπόψη μου ότι θα αποκτούσα άμεσα ένα δυνατό βιωματικό παράδειγμα για τον τρόπο που κάποιος διασκεδάζει και απολαμβάνει ανάλαφρα γρίφους, όπως το θέμα 3.

Παιδιά, ενοούσα όπως ο Γιάννης!

ένσταση

Οι συνδυασμοί που έβγαλες προσφυώς απ’ το μανίκι σου για τις σχέσεις που πρέπει να υπακούν οι ισχύεις όταν οι αντιστάσεις τους συνδυάζονται στη σειρά ή παράλληλα, εκφράζουν κάποια γενίκευση της Φυσικής ή αποτελούν έναν ακόμα εξειδικευμένο λογιστικό κανόνα της ηλεκτροτεχνίας, που έχει διαφορετική στόχευση, πάντως όχι εννοιολογική;

Βαγγέλης Κουντούρης

με την εμπειρία διδασκαλίας τριών δεκαετιών σε Γ΄ Γυμνασίου και την "ειδική σχέση" με την Β΄ Λυκείου Γενικής Παιδείας, εκτιμώ ότι το ερώτημα Γ4 ήταν εξαιρετικά δύσκολο έως αναπάντητο για μαθητές Γ΄ Γυμνασίου και αρκετά δύσκολο για μαθητές Β΄ Λυκείου (έτσι γίνεται η σύνδεση στο "μάτι" της κουζίνας που έχει 3 "κλικ")

η γνώμη μου για τη ζητούμενη σύνδεση

 

Γιάννης Κυριακόπουλος
Αρχισυντάκτης

Γιώργο είναι και Ηλεκτροτεχνία. Σε κάποια θέματα μπορεί να υποχωρήσει η εννοιολογική εμβάθυνση.

Τα θέματα αυτά μας αρέσουν κάποιες φορές λιγότερο από αυτά που λέμε ότι "έχουν Φυσική".

Ας δούμε και τα άλλα με τις ζυγίσεις. Ένας απλός άνθρωπος, που στην εποχή του στο Δημοτικό που τελείωσε δεν έκανε ούτε ίχνος Φυσικής, θα μπορούσε να τα απαντήσει λέγων:

-Ξαναισορροπούνε, διότι αλαφραίνει το ένα, αλαφραίνει το ίδιο και το άλλο.

 Μια πρακτική σκέψη έκανε. Δεν θα απαντούσε όμως θέμα που απαιτούσε γνώσεις υδροστατικής.

Οι συνδυασμοί τώρα από το μανίκι βγήκαν όταν κάθισα σοβαρά να λύσω την άσκηση και είδα το ερώτημα "πως συνδέονται".

Ένα τέτοιο ερώτημα πρέπει να έχει μονοσήμαντη απάντηση οπότε…..

Είχα μια μαθήτρια φαινόμενο. Τώρα είναι γιατρός παθολόγος. Μπήκε 3η στην Ιατρική Αθήνας με την πρώτη φορά. Με Κατευθύνσεις και τα πολλά μαθήματα. Περίπτωση που δεν ξεχνάς. Πήρε μέρος σε διαγωνισμό Φυσικής και έβγαλε κάτω από τη βάση. Ορθώς δεν πτοήθηκε.

Η χαρά της συμμετοχής σε τέτοιους διαγωνισμούς δεν πρέπει να μειώνεται από το αποτέλεσμα. Συμμετέχει κάποιος σε έναν Μαραθώνιο προς τιμήν του Γρηγόρη Λαμπράκη. Να στενοχωρηθεί αν τερματίσει πιο κοντά στους τελευταίους παρά στην αρχή;

Γιάννης Κυριακόπουλος
Αρχισυντάκτης

Βαγγέλη τις ίδιες συνδέσεις πρότεινα σε προηγούμενη σελίδα.

Μάλλον αυτές είναι.

Βαγγέλης Κουντούρης

ναι, Γιάννη, και πλήρες, εγώ το έκοψα, δεν μπόρεσα να το μικρύνω

αν μας διαβάζουν οι βαθμολογητές, έχω περιέργεια αν και πόσοι μαθητές-ταλέντα το απάντησαν